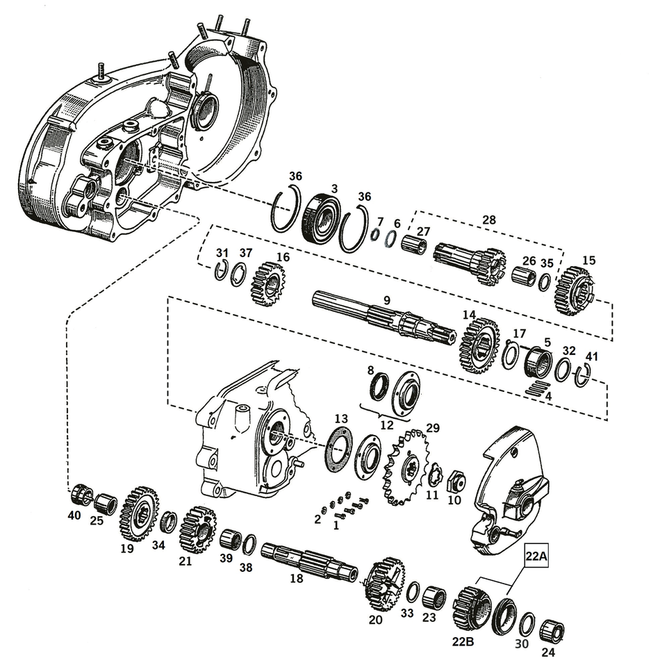
1. Lock plate screw, 25-pack (4)
2. Lockwasher #10, 100-pack
3. Bearing main shaft
4. Roller, standard size, stock replacement, set of 23
4. Roller, oversize +.0004", stock replacement, set of 23
4. Roller, oversize +.0008", 100-pack, Jims-USA (23)
4. Roller, oversize +.0008", stock replacement, set of 23
5. Main shaft bearing race
5. Main shaft bearing race, +.005"
5. Caged needle bearing
5. Bearing race,
5. Bearing race, .002" oversize
5. Bearing race, .005" oversize
6. Clutch gear o-ring, James, 25-pack
6. Clutch gear o-ring, Eastern, 10-pack
7. Clutch gear seal, Zodiac
7. Clutch gear seal, Athena, 5-Pack
7. Clutch gear seal, Athena, 5-Pack
8. Main shaft oil seal, Zodiac
8. Main shaft oil seal, Athena, 5-Pack
8. Main shaft oil seal, Zodiac
8. Main shaft oil seal, Athena, 5-pack
9. Main shaft, kick start models, Andrews
9. Main shaft, V-Twin Mfg.
9. Main shaft, Andrews
9. Main shaft, V-Twin Mfg.
10. Sprocket nut with seal (OEM 37339-53)
10. Oil seal only, Genuine Zodiac
10. Oil seal only, Athena, 10-pack
10. Sprocket nut
10. Sprocket nut
11. Lock washer main shaft, 10-pack
12. Oil seal and retainer kit
13. Main shaft seal gasket, Athena, 10-pack
14. Main shaft first gear 27 tooth, Zodiac
14. Main shaft first gear 27 tooth, Andrews
15. Main shaft second gear 23 tooth, Zodiac
15. Main shaft second gear 23 tooth, Andrews
16. Main shaft third gear 20 tooth, Zodiac
16. Main shaft third gear 20 tooth, Andrews
17. Main shaft thrust washer, 5-pack
17. Main shaft thrust washer, .096", 5-pack
18. Countershaft, V-Twin Mfg.
18. Countershaft, Andrews
18. Countershaft, V-Twin Mfg.
19. Counter shaft drive gear 27 tooth, Andrews
19. Counter shaft drive gear 26 tooth, Andrews
20. Counter shaft third gear 23 tooth, Andrews
21. Counter shaft second gear 20 tooth, Andrews
22A. Counter shaft first gear 17 tooth, V-Twin Mfg.
22B. Counter shaft first gear 17 tooth, Andrews, may be used late 1984 thru 1990 models when used in conjunction with a 1954 thru 1984 style countershaft and thrust washers
22B. Counter shaft first gear 17 tooth, V-Twin Mfg.
23. Bushing, counter shaft low gear
23. Bushing, counter shaft low gear
23. Bearing, counter shaft low gear
24. Needle bearing counter shaft
25. Needle bearing counter shaft, open end
26. Bearing clutch gear
27. Bearing clutch gear
28. Clutch gear main shaft 17 tooth
28. Clutch gear main shaft 17 tooth
28. Clutch gear main shaft 17 tooth
28. Clutch gear main shaft 17 tooth
28. Clutch gear main shaft 18 tooth
29. Sprocket, 21 tooth
29. Sprocket, 21 tooth
29. Sprocket, 21 tooth
29. Sprocket, 22 tooth
29. Sprocket, 22 tooth
29. Sprocket, 22 tooth
29. Sprocket, 23 tooth
29. Sprocket, 23 tooth
29. Sprocket, 23 tooth
30. Countershaft thrust washers, set of 12 from .020" through .075"
30. Countershaft thrust washer, .025", 5-pack
30. Countershaft thrust washer, .035", 5-pack
30. Countershaft thrust washer, .045", 5-pack
30. Countershaft thrust washer, .055", 5-pack
31. Retaining ring, main shaft 3rd gear, 10-pack
32. Bearing washer, main shaft, 5-pack
33. Countershaft thrust washer, .020", 5-pack
33. Countershaft thrust washer, .030", 5-pack
33. Countershaft thrust washer, .040", 5-pack
33. Countershaft thrust washer, .060", 5-pack
33. Countershaft thrust washer, .075", 5-pack
33. Countershaft thrust washer, .100", 5-pack
34. Countershaft gear spacer, 5-pack
35. Mainshaft thrust washer, .232"
35. Mainshaft thrust washer, .212"
36. Retaining ring, 10-pack
37. Mainshaft 3rd thrust washer, 5-pack
37. Mainshaft 3rd thrust washer, 5-pack
28. Thrust washer, 2nd gear, 5-pack
39. Countershaft 2nd gear bushing
40. Countershaft oiler plug
40. Retaining ring, roller bearing, 10-pack